Calcular capacitor de impedancia/reatancia de entrada em amplificador

    Autor Mensagem
    Alex guitar man
    Veterano
    # out/13


    Galera, alguem pode me ajudar, pra eu calcular o capacitor pra casar a impedancia na entrada do amplificador eu tenho a formula C= -1/ pi.f.Ic onde:


    Pi e a constante
    F= frequencia
    Ic= impedancia do Catador do intrumento

    Alguns fala que a Frequencia deve ser diapasao 440hz, outros que o ajuste deve deve aer feito com 1khz, mas no caso, um amplificador de guitarra e de Baixo vai ter o calculo com a mesma frequencia? E a sensibilidade da entrada? Como cuido disso?

    E o Calculo pro capacitor entre pre e power? Power e Falante? O calculo e o mesmo?

    Alex guitar man
    Veterano
    # out/13
    · votar


    Desculpa os erros ortograficos, estou postando de um Galaxy em um Onibus

    Augusto Pedrone
    Veterano
    # out/13
    · votar


    Alex guitar man

    Desculpe, acho que não entendi o que busca.

    Na verdade a impedância de entrada do amplificador é dada basicamente pelo circuito de polarização do seu primeiro estágio.

    O ideal é que essa impedância seja alta o suficiente para não carregar em demasia os captadores passivos da guitarra. Valores acima de 470K ohms são desejáveis, sendo o valor de 1M ohms o mais comum para a impedância de entrada da maioria dos amplificadores.

    Já a capacitância de entrada é algo em geral maléfico, pois atua "roubando" agudos da guitarra - então, quanto menor a capacitância de entrada melhor. Alguns amplificadores de alto ganho usam de propósito um capacitor no jaque de entrada para cortar agudos e evitar realimentação (apito) quando usados com ganhos e volumes excessivos.

    A resistência de entrada + capacitância de entrada + indutância de entrada formam o complexo "impedância de entrada".

    Abraços.

    macaco veio
    Veterano
    # out/13
    · votar


    tambem não ficou muito claro pra mim, parece que voce quer calcular o capacitor de acoplamento de circuito (liga um estagio ao outro fazendo o isolamento DC), no caso entre os captadores e primeiro estagio do ampli. Se for é um pouco mais complicado que parece, involve varios fatores e calculos. Que eu me lembre a frequencia é a mais baixa que o ampli irá deixar passar (é chamado frequencia crítica), voce nao irá usar 20hz pra um ampli de guitarra e nem 440 para um ampli de baixo. A impedancia não é a do captador e sim a impedancia de entrada do circuito (deve se conhecer o estagio do ampli usado e ter o calculo bem aproximado do valor da impedancia de entrada). Para efeitos práticos voce pode ter em mente impedancias baixas, medias e altas, conhecendo os tipos de estagios de amplificação (seja transistor, integrado ou valvula) voce saberá quando as saidas e entradas dos estagios são de alta, baixa ou media impedancia e por prática usar o valor do capacitor apropriado dependendo da faixa de frequencia que quer deixar passar, (o calculo exato é coisa de engenharia), alguns tips são por exemplo os valores de caps de entrada de estagio são geralmente menores que os de saida, onde se usou um cap de poliester no acoplamente se for usar eletrolitico usar 5 vezes maior o valor (os que me lembro agora). Se quizer aprofundar mais deve estudar acoplamento de capacitores na parte de amplificação.
    Agora se o quiz saber e como se calcula o capacitor de desvio, o do jack de entrada que o Agusto se referiu acima, ai a coisa complica mais ainda pois vai envolver a frequencia de corte nos harmonicos.
    A sensibilidade de entrada já é outra coisa separada dos caps.

    Alex guitar man
    Veterano
    # out/13
    · votar


    parece que voce quer calcular o capacitor de acoplamento de circuito (liga um estagio ao outro fazendo o isolamento DC)

    Isso ;)

    Agora se o quiz saber e como se calcula o capacitor de desvio, o do jack de entrada que o Agusto se referiu acima, ai a coisa complica mais ainda pois vai envolver a frequencia de corte nos harmonicos.

    Não era isso, mas ja que comentou, seria bom, por gentileza..

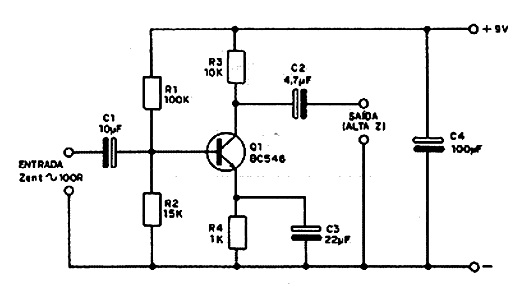
    http://3.bp.blogspot.com/-OmU5NLnsPpo/UIf-VLddF7I/AAAAAAAAAL8/J60wm28W CzE/s1600/Sem+t%C3%ADtulo.jpg

    Isso é um pré de microfone, o que importa é a entrada, logo no Jack, temos1 capacitor (C1), um de acoplamento, as vezes quando é guitarra ou baixo ha mais um ligado no jack e no terra que seria "equalização/corte de frequencias" creio eu.. existe um padrão especifico? qual as funções exatas deles?

    No mesmo esquema, esta escrico (na saida) que é Alta impedância "Z", onde eu defino isso?

    E o valor do capacitor de saída (C2)? no caso ele é de 4,7yf

    Outra pergunta... E os outros capacitores? C3 e C4.. qual o papel?


    Se vocês tiverem paciencia com esse iniciante em Audio... rsrs

    Grato...

    fica aki o datasheet do BC

    http://www.alldatasheet.com/datasheet-pdf/pdf/2891/MOTOROLA/BC546.html

    Matec
    Veterano
    # out/13 · Editado por: Matec
    · votar


    Alex guitar man

    Vamos fazer uma análise simples desse circuito que vc postou, em termos de resposta de frequência.

    Ali na entrada está indicado que a fonte de sinal é de baixa impedância ( Z=100R ) um microfone. Normalmente microfones dinâmicos (bobina e imã) apresentam baixa impedância de saída.

    Na entrada capacitor C1 e divisor de tensão R1 e R2, tudo isso é para polarizar a base do transístor.
    De quebra o arranjo de capacitor e resistor forma um filtro Passa-Alta cuja frequência a -3dB é dada por aquela sua fórmula F= 1/( 2 x Pi x R x C).

    Veja que nessa fórmula C é em Farads e R em Ohms, ou seja o capacitor dali é de 10uF, isso em Farads é 0,00001.

    R ali seria o resultado de R1 em paralelo com R2 (apesar de que no circuito eles estão em série).
    Isso se calcula assim 1/R = (1/R1 + 1/R2) => 1/R = (1/100K+ 1/15K) . Ou então fazendo a fórmula de outro jeito R = (R1 x R2)/ (R1+R2) => R = (100K x 15K)/ (100K + 15k) . No final R = 13,04K, ou 13040 Ohms.

    Então a frequência de corte na entrada desse circuito (sem levar em conta a base do transístor no circuito) seria: F = 1/( 2 x PI x 0,000001 x 13040) ;
    F = 1/ 0,0819 => F ~= 12,2 Hz.

    Se vc entender essa parte e quiser que eu continue, escreva.
    Abs

    macaco veio
    Veterano
    # out/13
    · votar


    Show de paciencia do Matec (haja saco pra ficar calculando).
    as vezes quando é guitarra ou baixo ha mais um ligado no jack e no terra que seria "equalização/corte de frequencias" creio eu.. existe um padrão especifico? qual as funções exatas deles?

    do jack no terra é o capacitor de desvio que no caso é usado como um filtro desviando altas frequencias para o terra, valores pequenos sao usados (30pf, 50pf, 100pf etc) para evitar que a sensibilidade do circuito capte como uma antena frequencias acima do que ouvimos (estações de radio). Se usar Caps com valor muito alto vai cortar os agudos.
    ...esta escrito (na saida) que é Alta impedância "Z", onde eu defino isso?
    olhando digamos a topologia do circuito usado (o desenho), ou calculando, no caso a saida é retirada do coletor onde a impedancia é alta (alem de ter a fase do sinal invertida), se fosse retirado do emissor teria baixa impedancia.
    E o valor do capacitor de saída (C2)?
    depende da mais frequencia que quer deixar passar de acordo com a mais baixa frequencia que deixou entrar. veja que C1 esta exageradamente alto (no meu entender) por isso C2 esta menor que C1 (contrariando o que eu disse la em cima). mas os calculos corretos deixo pro Matec.
    ... E os outros capacitores? C3 e C4.. qual o papel?
    C3 ali é geralmente usado pra aumentar o ganho e tambem estabilizar a atuação do resistor de emissor, mas o ganho é responsbilidade de R4, diminuido R4 aumenta o ganho (geralmente da pra ir ate 100omhs).
    C4 é apenas pra não deixar a fonte cair, é de praxe usar 100uF, mas qualquer valor ali da certo.
    não é um bom pre ampli no meu entendimento, tem R3 muito baixo (costuma entrar hummm por ali) e não tem o melhor desenho de pre, melhor seria ter R1 conectado entre o coletor e base para mais estabilidade.

    Matec
    Veterano
    # out/13
    · votar


    macaco veio

    Show sua explicação também. :')
    Vamos montar uma sociedade e criar um curso de eletrônica básica para membros do fórum.

    Vamos ficar ricos!! Rsrs

    Ramsay
    Veterano
    # out/13 · Editado por: Ramsay
    · votar


    Alex guitar man

    O fato é que o circuito postado, por apresentar impedância média, tanto de entrada como de saída, não é o mais adequado para microfones dinâmicos.
    O ideal para microfones dinâmicos é um circuito catodino cujo sinal entra pelo emissor do 1º transistor que nessa configuração apresenta uma baixa impedância de entrada compatível com o microfone dinâmico, como, por exemplo, o circuito do link abaixo:
    http://www.zen22142.zen.co.uk/Circuits/Audio/dyn_mic/dyn_mic.gif

    Alex guitar man
    Veterano
    # out/13
    · votar


    Matec

    Realmente, é um show de paciencia o seu! Estou tão grato! ninguem tem essa pacinencia, igualmente a você macaco veio, muito obrigado, cavalheiros!


    Se vc entender essa parte e quiser que eu continue, escreva.

    Entendi sim! se você puder continuar ^.^

    macaco veio


    C4 é apenas pra não deixar a fonte cair, é de praxe usar 100uF, mas qualquer valor ali da certo.
    não é um bom pre ampli no meu entendimento, tem R3 muito baixo (costuma entrar hummm por ali) e não tem o melhor desenho de pre, melhor seria ter R1 conectado entre o coletor e base para mais estabilidade.


    Com esse C4 em valores altos eu diminuo o "hmmmm" não diminuo?

    Como assim R1 no coletor e base? mas se eu tirar ele dali como fica o divisor de tensão?

    Ramsay

    Muito obrigado pelo cirquito, estou querendo fazer um pré pra mic mesmo!

    Galera, voces tem algum link que me explique melhor sobre amplificação A, B e A/B? não sobre o que são, mas sim as diferenças no circuito...

    macaco veio
    Veterano
    # out/13
    · votar


    Alex guitar man
    C4 não diminui o hummm, se retirar C4 muito provavelmente o circuito continui a funcionar perfeitamente. Uma função de C4 é amortizar a pancada que se dá no circuito ao ligar ou desligar o circuito, ate ele descarregar ou carregar leva um tempinho que ameniza. Outra função e evitar alguma possivel queda de tensao na placa do circuito quando isso se distribui sobre as varias trilhas de cobre. teoricamente enquanto mais alto o valor pior para o circuito (dependendo de que circuito é) pois o eletrolitico devido sua construção forma uma pequena bobina que pode (muito raramente que chega a quase ser um mito) virar um indutor e induzir algum sinal não desejado. Faltou ali um cap ceramico de .1 junto com C4 pra anular essa possivel indução. O humm geralmente acontece em maus projetos (como esse) ou com fontes de alimentação ruimm. Esse circuito provavelmente foi bolado pra ser alimentado com bateria.
    R1, voce pega a ponta dele que vai no + do circuito e liga na junção que esta R3 C2 e o coletor junto, ele fica trancado ali, qualquer variação em R3 ele varia junto por isso estabiliza melhor o funcionamento e continua a ter o divisor de tensao. Voce deve baixar uma apostila qualquer sobre configurações e polarizações de transistor porque fica muita dúvida junta de uma vez so.

    Alex guitar man
    Veterano
    # out/13
    · votar


    macaco veio

    Esse circuito provavelmente foi bolado pra ser alimentado com bateria.

    Em falar nisso, com o tempo, o sinal de saída vai ficando mais baixo com bateria não é, quando se quer digamos uma fidelidade, não pode projetar o cirquito pra 5 volts e usar um LM7805 com uma bat de 9? assim não tera uma qualidade x tempo de vida bateria maior?

    macaco veio
    Veterano
    # out/13
    · votar


    não é bem assim, 9v - 5v = 4v , para onde foram esses 4v ! foram consumidos em calor e portanto a bateria foi gasta porduzindo calor.
    O que acontece com o sinal depende do tipo de circuito, por exemplo no pre ampli de mic do seu exemplo R1 e R3 estao a 9v, ao se descarregar a bateria e cair a voltagem R1 e R3 terão variações diferentes ate sair fora do ponto ideal da reta de carga do transistor e a amplificação comecar a distorcer e parar. Se a configuração fosse a que eu falei acima (mudando R1 de lugar) entao iria caindo o volume sem distorcer (mas claro chega a ponto que para).

    Hendrix Gallagher Straits
    Veterano
    # nov/13 · Editado por: Hendrix Gallagher Straits
    · votar


    Alex guitar man
    macaco veio
    Matec
    Ramsay
    Augusto Pedrone

    Esse pré que vc postou é bem simples, mas se quiser fazer um pré mais bacana procure circuitos que usem o NE5532, é um CI bem bom que eu já usei alguns, mas ficaram atirados por aqui e nao uso mais, nem lembro do circuito, mas era baseado num circuito dos SSL com entrada e saida balanceada, mas a fonte simetrica tem q ser boa, bem filtrada e regulada, apanhei muito pra fazer um bom pre de estudio, mas é bom.

    Hj como sou teiomoso fiquei só nos válvulados mas o ruim é conseguir os trafos de saida pra deixar a impedancia de saida abaixo dos 10k e que tenha um boa resposta meio que plana desde os 40hz até os 18Khz.

    Nesses válvulado tem gente que liga direto na interface depois do capacitor de acoplamento mesmo, mas depende de onde vai ligar tb cada placa interface é diferente e quando liga por exemplo depois do capacitor de acoplamento na entrada da interface, a tensão de saída do pré que era maior diminui e se nao ficar demais a tensão de saida, sendo q o ganho do pré não é muito, acredito que fique até bom.

    Mas isso é assunto pros mestres ai em cima !

    Abs

    Alex guitar man
    Veterano
    # mai/14
    · votar


    Alguem sabe me dizer se esse pré é bom pra ligar um guitarra?

    E um mic dinamico?


    Pra que serve o capacitor C2 ali??

    Como eu defino a impedancia de entrada? O transistor e sua polarização?

    Hendrix Gallagher Straits
    Veterano
    # mai/14 · Editado por: Hendrix Gallagher Straits
    · votar


    Alex guitar man

    Preamp pra mic com baixo ruído se faz com pelo menos um NE5532 com baixa impedancia de entrada, procure por esquemas na internet tem muita coisa, mas pra ficar um pré bom e bem controlado, o bom seria pelo menos dois NE5532, pra fazer uma entrada balanceada, controlar bem o nivel de entrada e saida.

    Já te adinato que nao vai pegar um esquema pronto e vai ficar funcionando perfeitamente, vc tem que saber o nivel de entrada, ou mlehor o nivel de saida do seu microfone, se for um mic profissional então a coisa fica mais fácil, se for um mic bem simples, então vc pode ter um nivel de saida do mic muito alto isso pode gerar problemas de por exemplo o pré saturar já no primeiro estágio, mas isso dependo da tua fonte de audio.

    Preamp pra guitarra eu recomendaria um pré valvulado com uma 12au7 na entrada e saída com NE5532 pra baixar impedancia de saida.

    Mas isso pra ficar perfeito com baixíssimo nivel de rúido, com THD de acordo, você vai penar um pouquinho, quem sabe alguns meses, anos ou mais principalmente com valvulado, chassi, potenciometros etc.

    Existe muitas formas de fazer esses prés, desde valvulados só com trafos e valvulas e pres com apenas circuitos integrados e transistor, mas a fonte ser perfeita é fundamental.

      Enviar sua resposta para este assunto
              Tablatura   
      Responder tópico na versão original
       

      Tópicos relacionados a Calcular capacitor de impedancia/reatancia de entrada em amplificador